Bibliothèques d'Université Paris Cité
  1. Medica
    1. Bibliothèque numérique
    2. Images et portraits
    3. Asclépiades (thèses d’histoire)
    4. Manuscrits (Calames)
    5. Base biographique
    6. Medicina (bibliographie)
    7. Numérisation à la demande (EOD)
  1.   Accueil
  2. Medica
  3. Bibliothèque numérique
  4. Résultats de recherche
Medica — Bibliothèque numérique

Présentation • Mode d’emploi • Services associés • Réutilisations

page précédente

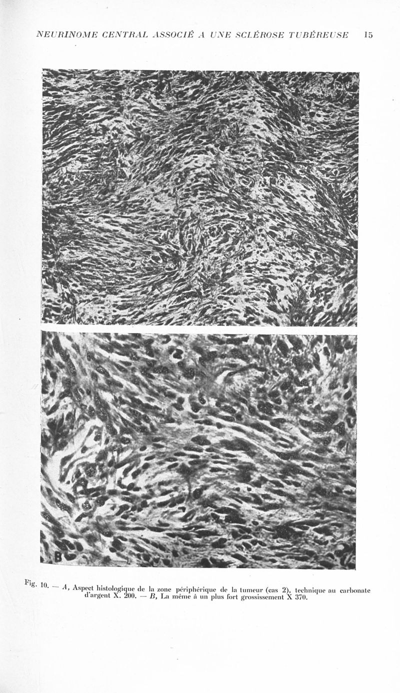
Revue neurologique
1933, vol 2. - Paris : Masson , 1933.
Page à Page
Par chapitres
PDF Cliquez ici pour telecharger tout ou partie de ce document au format Adobe PDF (Acrobat)
Sur Internet Archive

Page suivante


URL pérenne de cette page : https://www.biusante.parisdescartes.fr/histmed/medica/page?130135x1933x02&p=71

page précédente

Revue neurologique
1933, vol 2. - Paris : Masson , 1933.
Page à Page
Par chapitres
PDF Cliquez ici pour telecharger tout ou partie de ce document au format Adobe PDF (Acrobat)
Sur Internet Archive

Page suivante

Monogramme Université Paris Cité Logo Investissements d'avenir
Contacts Mentions légales Plan du site